Aşındırıcı Tozlar EP (Elektroplated)
Borazon – CBN (Cubic Boron Nitrides)
- Hyperion Materials & Technologies, aşağıdaki elektrolize kaplanmış / tek katmanlı bağ ürünleri dahil olmak üzere geniş bir Borazon kübik bor nitrür (CBN) yelpazesi üretmektedir.
-
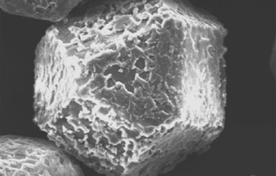
Borazon CBN 700, altın rengindedir ve sert ve keskin
kenarlar. Herhangi bir monokristalin en yüksek kırılma mukavemetine sahiptir.
Borazon CBN ürünü ve güç tüketimini artırmadan en uzun ömür performansı sağlar. Borazon CBN 700, sertleştirilmiş takım çelikleri, paslanmaz çelikler ve nikel ve kobalt bazlı süper alaşımlar için idealdir. -
Elektrolizle kaplanmış aletler, bu altın renkli, sert ve bloklu kristal için en iyi adaylardır. Borazon CBN 500, yüksek kırılma mukavemetine sahiptir. Bu kristal, sertleştirilmiş takım çeliklerinde, karbon ve alaşımlı çeliklerde ve nikel ve kobalt bazlı süper alaşımlarda agresif, uzun ömürlü performans sağlar.
-
Borazon CBN 300, genel amaçlı uygulamalarda kullanım için bloklu, sert bir kristal olarak tasarlanmıştır. Blok şeklinde olmasına rağmen, CBN 500 veya CBN 700’den daha düzensizdir.
-
Borazon CBN 570, elektrokaplama uygulamaları için işlenir ve yüksek parçacık mukavemeti ile büyük ağ boyutlarının gerekli olduğu uygulamalar için çok uygundur. Bu ürün aynı zamanda türbin kanatları, kanatlar ve contalar gibi havacılık bileşenlerinin taşlanmasında da etkilidir.
EP BOND – CUBIC BORON NITRIDE
EP BOND – DIAMOND: MBG-T SERIES
EP BOND – DIAMOND: METAL BOND ELECTRONICS (MBE)
